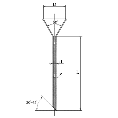
長脚
ロート
単位 mm
呼び寸法
45
50
70
内径(D)
45±2
50±2
70±2
脚
長さ(L)
150±5
150±5
150±5
外径(d)
7±0.3
7±0.3
8±0.5
厚さ
1.2±0.1
1.2±0.1
1.6±0.2
備考:
@
ロートの内面は滑らかにし、上端周辺は、かどを取らなければならない。
A
長脚ロート呼び方は、
名称及び呼び寸法による。
例; 長脚ロート 50mm